Cub Cadet 1050 Lt : Manuals and user guides for cub cadet lt1050.

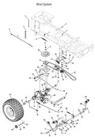
Cub Cadet 1050 Lt : Manuals and user guides for cub cadet lt1050.. Engine data, pto and transmission, wheels and tires, mower deck specs, dimensions and weight. The cub cadet lt1050 garden tractor lawn mower is powered by a kohler command cv730 engine which provides it with a max power output of 26 hp. Cub cadet llc reserves the right to change product specifications, designs and equipment without notice and without incurring obligation. Cub cadet lt1050 lawn tractor hydraulics. Find parts for your lt1050 cub cadet riding lawn mower.

Due to the size of the operator's manual. Made for the average homeowner, this mower starts right up and runs up to 5mph. Cub cadet lt1050 lawn tractor hydraulics. We want to ensure your complete. The cub cadet lt1050 garden tractor lawn mower is powered by a kohler command cv730 engine which provides it with a max power output of 26 hp.

Whats This From A 2007 Cub Cadet Lt 1050 Its Part Of The Wiring Just Below The Battery On The Left Side Of Mower Tia Mechanicadvice
Whats This From A 2007 Cub Cadet Lt 1050 Its Part Of The Wiring Just Below The Battery On The Left Side Of Mower Tia Mechanicadvice from preview.redd.it
Read online or download in pdf without registration. The cub cadet lt1050 tractor was built in the usa by cub cadet. View online or download cub cadet lt1050 operator's manual, illustrated parts manual, parts manual. With my lt1024 i had the same symptoms. Free download of cub cadet lt1050 manuals is available on onlinefreeguides.com. Includes overview, specifications, photos, reviews, links, parts and everything you need to know about the cub cadet lt1050. View cub cadet lt1050 documents online or download in pdf. Online manuals database contains 9 cub cadet lawn mower lt1050 manuals in portable document format.

The cub cadet lt1050 is a 2wd lawn tractor from the lt1000 series.

Includes overview, specifications, photos, reviews, links, parts and everything you need to know about the cub cadet lt1050. Free download of cub cadet lt1050 manuals is available on onlinefreeguides.com. Cub cadet lt1050 lawn tractor specifications: Free shipping on parts orders over $45. It features a 26 hp (19 kw) kohler engine and a 50 deck. View cub cadet lt1050 documents online or download in pdf. With my lt1024 i had the same symptoms. Engine data, pto and transmission, wheels and tires, mower deck specs, dimensions and weight. Federal laws apply on federal lands. Cub cadet lawn mower lt1050 manuals (9 documents found): A spark arrester for the muffler is available through your cub cadet dealer or contact the service department, p.o. This tractor was manufactured by the cub cadet (a part of mtd) from 2005 to 2008. Pages using duplicate arguments in template calls.

Cub cadet lt1050 lawn mower user manual. Parts diagrams and manuals available. Read online or download in pdf without registration. We want to ensure your complete. The cub cadet lt1050 garden tractor lawn mower is powered by a kohler command cv730 engine which provides it with a max power output of 26 hp.

Log Splitters Lawn Mowers And Snowmobile Troy Powersports Troy Nh 603 242 3397
Log Splitters Lawn Mowers And Snowmobile Troy Powersports Troy Nh 603 242 3397 from cdnmedia.endeavorsuite.com
Find parts for your lt1050 cub cadet riding lawn mower. Cub cadet lt1050 manuals and user guides for free. Cub cadet lt1050 price, reviews, specs, engine oil capacity, weight, serial numbers, attachments, history, features & pictures. ℹ️ download cub cadet lt1050 manuals (total manuals: Parts diagrams and manuals available. Engine data, pto and transmission, wheels and tires, mower deck specs, dimensions and weight. Due to the size of the operator's manual. Find more compatible user manuals for lt1050 lawn mower device.

Cub cadet lt1050 price, reviews, specs, engine oil capacity, weight, serial numbers, attachments, history, features & pictures.

Cub cadet lt1050 price, reviews, specs, engine oil capacity, weight, serial numbers, attachments, history, features & pictures. Cub cadet lawn mower lt1050 manuals (9 documents found): Includes overview, specifications, photos, reviews, links, parts and everything you need to know about the cub cadet lt1050. Cub cadet (a part of mtd). The cub cadet lt1050 garden tractor lawn mower is powered by a kohler command cv730 engine which provides it with a max power output of 26 hp. It's necessary to remove the cutting deck on your mower for maintenance such as cleaning and removing or replacing the mower blades, but you only need one tool to perform this task. The cub cadet lt1050 tractor was built in the usa by cub cadet. View cub cadet lt1050 documents online or download in pdf. Made for the average homeowner, this mower starts right up and runs up to 5mph. 9) for free in pdf. A spark arrester for the muffler is available through your cub cadet dealer or contact the service department, p.o. Cub cadet ltx 1050 deck belt. Cub cadet lt1050 lawn tractor specifications:

Turns out, approx every 40 hours or so the valves need to be adjusted. 9) for free in pdf. View online or download cub cadet lt1050 operator's manual, illustrated parts manual, parts manual. We found 9 pdf manuals for the cub cadet lt1050 (lawn mower) device. Manuals and user guides for cub cadet lt1050.

1
1 from
Engine data, pto and transmission, wheels and tires, mower deck specs, dimensions and weight. Find more compatible user manuals for lt1050 lawn mower device. Online manuals database contains 9 cub cadet lawn mower lt1050 manuals in portable document format. Manuals and user guides for cub cadet lt1050. Cub cadet lt1050 lawn mower user manual. Parts diagrams and manuals available. View online or download cub cadet lt1050 operator's manual, illustrated parts manual, parts manual. It features a 26 hp (19 kw) kohler engine and a 50 deck.

View online or download cub cadet lt1050 operator's manual, illustrated parts manual, parts manual.

Online manuals database contains 9 cub cadet lawn mower lt1050 manuals in portable document format. Due to the size of the operator's manual. Cadet's customer support telephone numbers, website address and mailing address can be found on this page. Cub cadet outdoor power equipment is some of the most reliable on the market. Made for the average homeowner, this mower starts right up and runs up to 5mph. Cub cadet ltx 1050 deck belt. The cub cadet lt1050 tractor was built in the usa by cub cadet. The cub cadet lt1050 is a 2wd lawn tractor from the lt1000 series. Engine data, pto and transmission, wheels and tires, mower deck specs, dimensions and weight. A spark arrester for the muffler is available through your cub cadet dealer or contact the service department, p.o. This tractor was manufactured by the cub cadet (a part of mtd) from 2005 to 2008. It features a 26 hp (19 kw) kohler engine and a 50 deck. View cub cadet lt1050 documents online or download in pdf.

Posting Komentar

0 Komentar

Ad Code